1.表面無毛刺,材料和表面處理需環保
2.旋轉角度:打開角度0~90度,
3.扭力要求:雙邊平穩值為:40-50(Kgf-cm);
4.壽命測試:a 打開5000次,每分鐘2-3次(一個來回為一次)衰減率 不大于20%;
5.圖示角度為0°。">

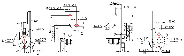
技術要求:
1.表面無毛刺,材料和表面處理需環保
2.旋轉角度:打開角度0~90度,
3.扭力要求:雙邊平穩值為:40-50(Kgf-cm);
4.壽命測試:a 打開5000次,每分鐘2-3次(一個來回為一次)衰減率 不大于20%;
5.圖示角度為0°。






聯系電話