1.表面無毛刺,材料和表面處理需環保
2.轉軸角度:前傾7度,后仰29度。
3.扭力要求:雙邊平穩值力為60-65(Kgf-cm);
4.壽命測試:打開5000次,每分鐘2-3次(一個來回為一次)衰減率 不大于15%;
5.圖示角度為0°。">

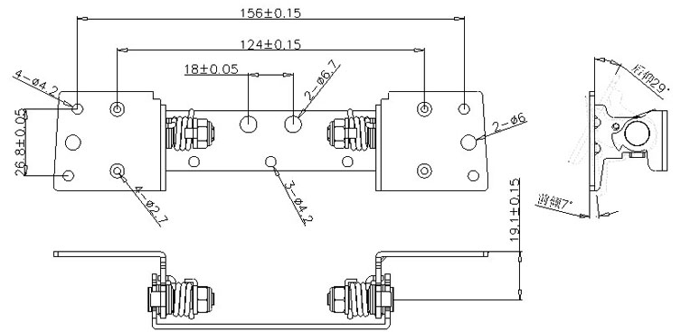
技術要求:
1.表面無毛刺,材料和表面處理需環保
2.轉軸角度:前傾7度,后仰29度。
3.扭力要求:雙邊平穩值力為60-65(Kgf-cm);
4.壽命測試:打開5000次,每分鐘2-3次(一個來回為一次)衰減率 不大于15%;
5.圖示角度為0°。






聯系電話