1.表面無毛刺,材料和表面處理需環保
2.雙邊扭力要求:60-70(Kgf-cm)
3.壽命測試:打開5000次,每分鐘3-4次(一個來回為一次)衰減率 不大于25%;
4.轉軸旋轉角度:前傾5°后仰15°。
4.出貨角度為0°。">

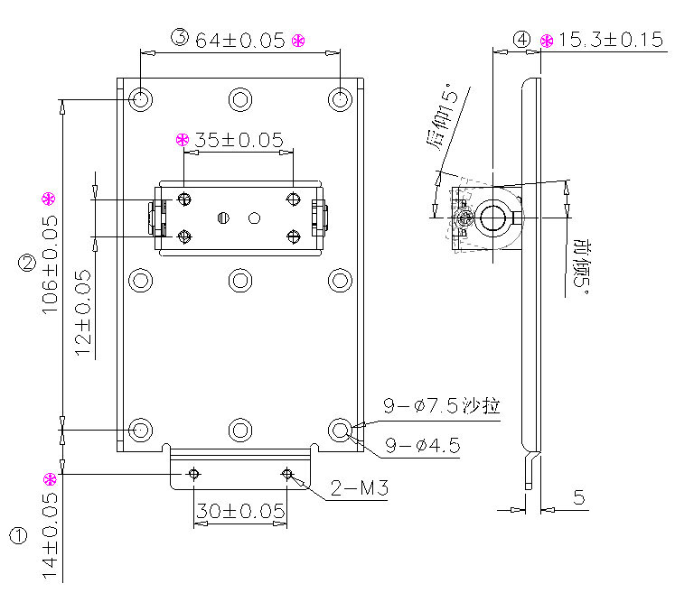
技術要求:
1.表面無毛刺,材料和表面處理需環保
2.雙邊扭力要求:60-70(Kgf-cm)
3.壽命測試:打開5000次,每分鐘3-4次(一個來回為一次)衰減率 不大于25%;
4.轉軸旋轉角度:前傾5°后仰15°。
4.出貨角度為0°。






聯系電話