1.表面無毛刺,材料和表面處理需環保
2.旋轉角度:大軸角度0~299度
3.扭力要求:軸-1平穩值為19-21(Kgf-cm),軸-2平穩值為2.0-2.5(Kgf-cm)。
4.壽命測試:a 打開5000次,每分鐘2-3次(一個來回為一次)衰減率 不大于20%;
5.圖示角度為0°。">

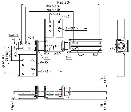
技術要求:
1.表面無毛刺,材料和表面處理需環保
2.旋轉角度:大軸角度0~299度
3.扭力要求:軸-1平穩值為19-21(Kgf-cm),軸-2平穩值為2.0-2.5(Kgf-cm)。
4.壽命測試:a 打開5000次,每分鐘2-3次(一個來回為一次)衰減率 不大于20%;
5.圖示角度為0°。






聯系電話