1.表面無毛刺,材料和表面處理需環保
2.打開角度:前仰角度3度,后仰角度10度,
3.雙邊扭力要求:90-100(Kgf-cm)
4.壽命測試:打開5000次,每分鐘5-6次(一個來回為一次)衰減率不大于20%;
5.圖示角度為0°。
6.出貨角度后仰0度。">

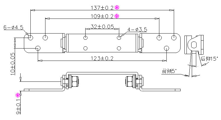
技術要求:
1.表面無毛刺,材料和表面處理需環保
2.打開角度:前仰角度3度,后仰角度10度,
3.雙邊扭力要求:90-100(Kgf-cm)
4.壽命測試:打開5000次,每分鐘5-6次(一個來回為一次)衰減率不大于20%;
5.圖示角度為0°。
6.出貨角度后仰0度。






聯系電話